Thấu kính quét F-Theta 1064nm dòng SL(scanning Lens) Series là thành phần quang học chuyên dụng cho các hệ thống laser galvo dùng trong khắc, cắt, khoan vi lỗ và các ứng dụng chính xác cao. Sản phẩm được thiết kế tối ưu cho bước sóng 1064nm, phù hợp với các loại laser Fiber, YAG, hoặc MOPA, đảm bảo khả năng quét đồng đều, tiêu cự chính xác và vùng khắc rộng.
Khi kết hợp cùng gương galvo 1 trục hoặc 2 trục, thấu kính F-Theta giúp định vị nhanh và hội tụ chính xác chùm tia laser đến mọi điểm trên bề mặt làm việc, giúp tăng tốc độ xử lý mà vẫn giữ được chất lượng khắc đồng đều trên toàn vùng scan.

| Model | EFL (mm) | Scan Field (mm) | Input Beam (mm) |
|---|---|---|---|
| SL-1064-70-100 | 100 | 70x70 | 14 |
| SL-1064-56-125 | 125 | 56x56 | 15 |
| SL-1064-80-125-D15 | 125 | 80x80 | 15 |
| SL-1064-110-F160B | 160 | 110x110 | 12 |
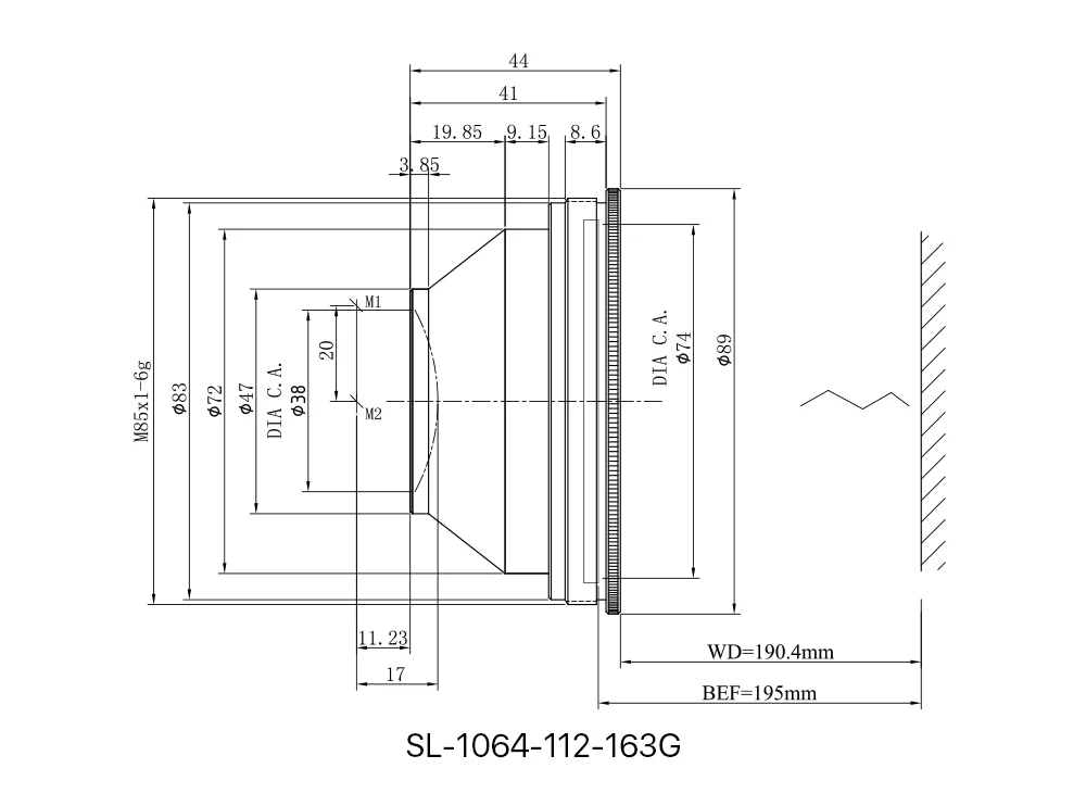
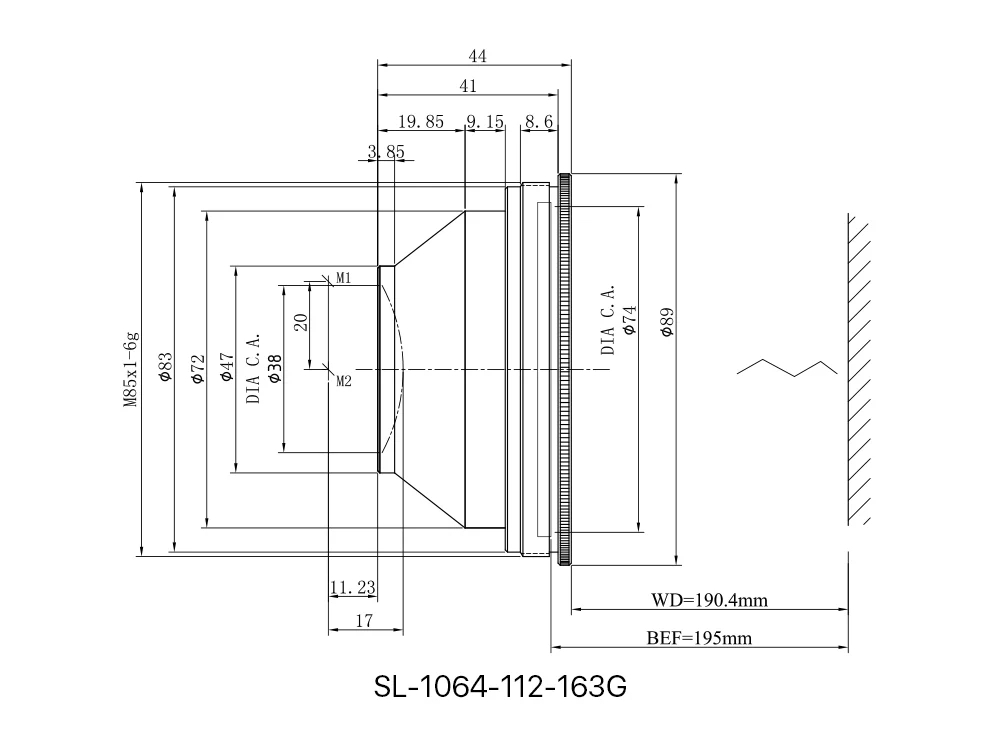
| SL-1064-112-163 | 163 | 112x112 | 10 |
| SL-1064-100-165-D25 | 165 | 100x100 | 25 |
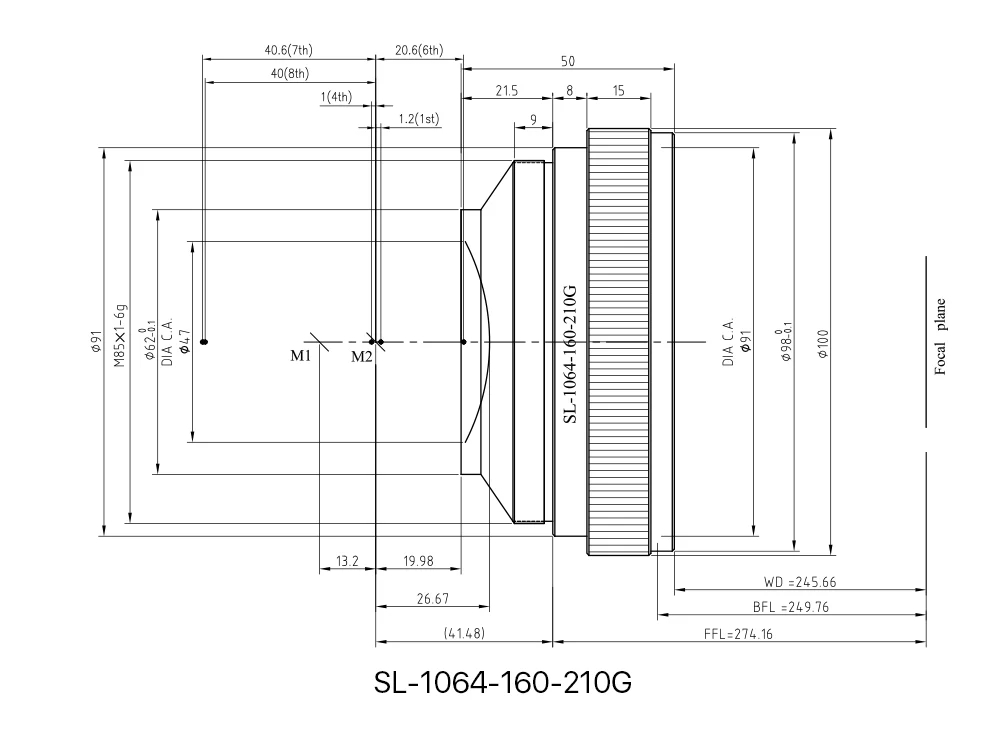
| SL-1064-120-170 | 170 | 120x120 | 14 |
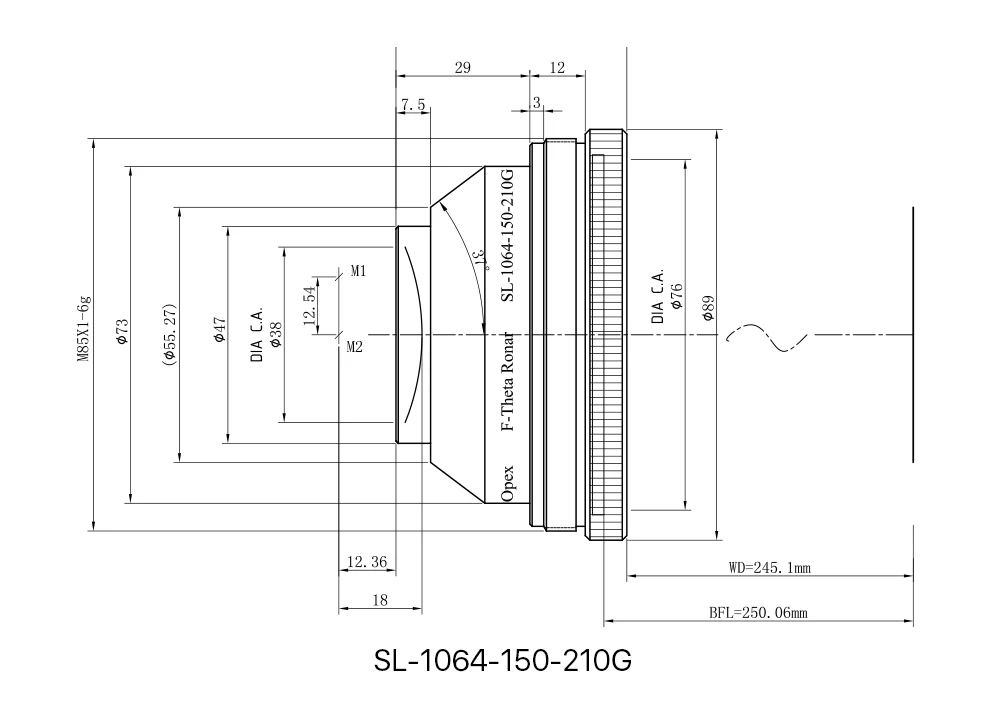
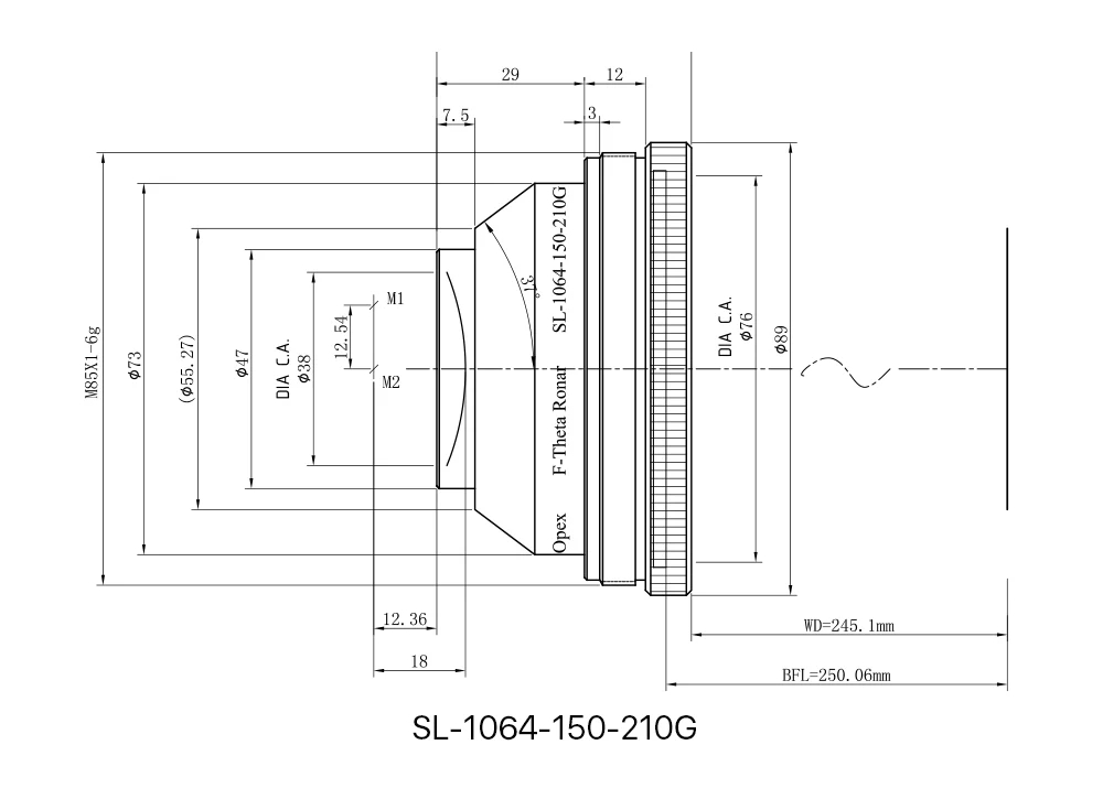
| SL-1064-140-210 | 210 | 140x140 | 14 |
| SL-1064-100-254-D30 | 254 | 100x100 | 30 |
| SL-1064-175-F254B | 254 | 175x175 | 10 |
| SL-1064-175-254 | 254 | 175x175 | 16 |
| SL-1064-180-254 | 254 | 180x180 | 20 |
| SL-1064-180-260 | 260 | 180x180 | 10 |
| SL-1064-200-310-D25 | 310 | 200x200 | 25 |
| SL-1064-205-330 | 330 | 205x205 | 14 |
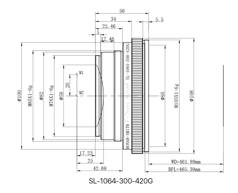
| SL-1064-300-420 | 419.8 | 300x300 | 14 |
| SL-1064-305-338 | 338 | 305x305 | 15 |
| SL-1064-320-420 | 420 | 320x320 | 30 |
| SL-1064-330-580 | 580 | 330x330 | 10 |
| SL-1064-340-500Q-D20 | 500 | 340x340 | 20 |
| SL-1064-400-525 | 525 | 400x400 | 10 |
| SL-1064-500-815 | 815 | 500x500 | 24 |
🔹 Thiết kế chính xác cao: đảm bảo điểm tiêu cự đồng nhất trên toàn vùng quét.
🔹 Tối ưu cho bước sóng 1064nm – tương thích hoàn hảo với laser Fiber/YAG.
🔹 Lớp phủ AR chống phản xạ, truyền sáng cao, giảm tổn hao công suất.
🔹 Tùy chọn thiết kế 1–5 thấu kính theo từng ứng dụng chuyên biệt.
🔹 Chất liệu quang học cao cấp, được gia công và lắp ráp theo chuẩn công nghiệp.
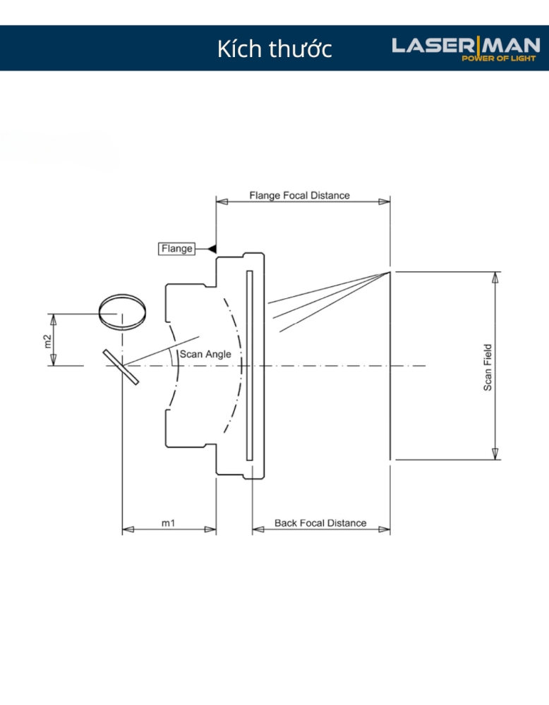
Ý nghĩa:
▪ EFL càng lớn → vùng khắc (scan field) càng rộng.
▪ Tuy nhiên, EFL lớn cũng làm điểm hội tụ rộng hơn → giảm độ phân giải và độ chính xác.
▪ Thấu kính có EFL thấp phù hợp với khắc chi tiết nhỏ, còn EFL cao dùng cho vùng khắc lớn (tem, bảng mã, dây chuyền…).
Vùng khắc vuông góc mà thấu kính có thể phủ đều tia laser và giữ được độ hội tụ.
▪ Ví dụ: 110x110mm nghĩa là vùng làm việc tối ưu là hình vuông 110mm mỗi cạnh.
Ý nghĩa:
Đây là phạm vi khắc hiệu quả và chính xác nhất – ngoài vùng này, tia laser có thể bị lệch tiêu cự, cong méo hoặc giảm công suất.
Là đường kính chuẩn của chùm tia laser (1/e²) trước khi vào thấu kính – đơn vị mm.
Ý nghĩa:
▪ Input Beam cần khớp với hệ thống quang học trước đó (gương galvo, nguồn laser).
▪ Nếu chùm tia quá to hoặc quá nhỏ so với thiết kế, sẽ gây méo điểm hội tụ hoặc thất thoát công suất.
Lưu ý:
Các thấu kính F-Theta được thiết kế theo từng mức input beam phổ biến: 10mm, 12mm, 14mm, 20mm, 25mm, 30mm...
Model SL-1064-110-F160B
EFL: 160mm
Scan Field: 110x110mm
Input Beam: 12mm
→ Thấu kính này phù hợp cho máy galvo fiber laser cần khắc vùng vừa, độ nét cao, có nguồn laser và gương galvo tương thích 12mm.
Khắc laser mã QR, mã số, logo, thông tin sản phẩm.
Cắt vi lỗ trong bản mạch, linh kiện điện tử.
Dùng trong các máy khắc Fiber, MOPA, YAG trên kim loại – nhựa kỹ thuật.
Thích hợp cho cả máy để bàn và dây chuyền tự động công nghiệp.
🔸 Vùng nhỏ (≤100x100mm) → chọn lens EFL 100–125mm.
🔸 Vùng trung (150–300mm) → chọn lens EFL 160–300mm.
🔸 Vùng lớn (≥400mm) → chọn lens EFL 400–815mm.







1. Lens F-Theta có dùng được cho máy CO2 không?
→ Không, lens này được thiết kế riêng cho bước sóng 1064nm (Fiber/YAG), không dùng cho CO₂ (10.6µm).
2. Làm sao chọn đúng tiêu cự và vùng khắc?
→ Xác định vùng làm việc mong muốn (ví dụ: 110x110mm) → chọn lens EFL tương ứng (ví dụ: 160mm).
3. Có thể thay lens khi đổi ứng dụng không?
→ Có. Chỉ cần đảm bảo đúng bước sóng và tương thích vật lý (kích thước, ren lắp M85x1, M39x1…).
#lasermarking #maykhaclaser #laserman #fθlens #galvolaser